101 Anvil St 101 Anvil St Industriel/Logistique 4 211 m² À vendre Jacksonville, TX 75766 1 633 810 € (388,03 €/m²)




Certaines informations ont été traduites automatiquement.
INFORMATIONS PRINCIPALES SUR L'INVESTISSEMENT
- Emplacement de choix
- Installations de chargement robustes
- Incitatifs d'EDC
- Vaste espace
- Alimentation triphasée
- Zonage industriel et industriel lourd
RÉSUMÉ ANALYTIQUE
Le bâtiment est équipé d'une alimentation triphasée et de panneaux électriques câblés à 240 V et 208 V. En 2024, l'unité CVC principale desservant les bureaux a été remplacée, garantissant une climatisation efficace. L'entrepôt est éclairé par un éclairage fluorescent, activé par des détecteurs de mouvement, ce qui garantit l'efficacité énergétique.
Les locaux à bureaux comprennent cinq espaces de bureaux avec une zone de réception, un bureau d'atelier supplémentaire dans l'entrepôt, une grande salle de repos et plusieurs salles de bains dans l'ensemble de l'établissement.
En outre, la Jacksonville Economic Development Corporation (EDC) propose diverses incitations locales et financées par l'État, en plus des incitations fédérales, faisant de cette propriété un choix attrayant pour les opérations commerciales.
Pour plus d'informations ou pour organiser une visite, veuillez nous contacter. Cet entrepôt bien entretenu est idéal pour répondre à vos besoins industriels.
TAXES ET FRAIS D’EXPLOITATION (RÉEL - 2024) Cliquez ici pour accéder à |
ANNUEL | ANNUEL PAR m² |
|---|---|---|
| Taxes |
$99,999
|
$9.99
|
| Frais d’exploitation |
$99,999
|
$9.99
|
| Total des frais |
$99,999
|
$9.99
|
INFORMATIONS SUR L’IMMEUBLE
DISPONIBILITÉ DE L’ESPACE
- ESPACE
- SURFACE
- TYPE DE BIEN
- ÉTAT
- DISPONIBLE
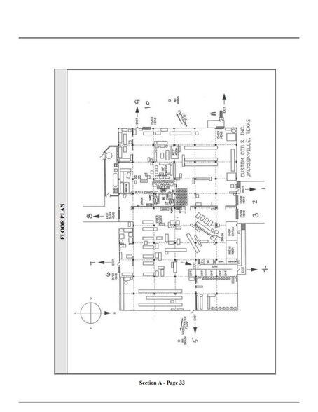
Ce vaste entrepôt industriel s'étend sur 45 322 pieds carrés et se trouve sur un terrain important de 5,89 acres. La propriété offre un mélange d'environ 2 000 pieds carrés d'espaces de bureaux et d'un vaste entrepôt, idéal pour une variété d'utilisations industrielles et commerciales. L'entrepôt bénéficie également de son emplacement stratégique à Jacksonville, au Texas, avec un accès facile aux principaux réseaux de transport et de l'autoroute 69. Ce positionnement de choix est parfait pour les entreprises qui ont besoin de capacités logistiques et de distribution efficaces. L'entrepôt est équipé de deux portes situées à hauteur de quai situées dans un compartiment à camions pour un chargement et un déchargement efficaces, complétées par trois portes de baie de huit pieds de haut au niveau du sol et une porte de baie de dix pieds de haut au niveau du sol, facilitant l'accès pour les véhicules de différentes tailles. L'installation dispose d'une alimentation triphasée avec des panneaux câblés à la fois à 240 V et à 208 V, pour répondre aux besoins en machinerie lourde et en puissance élevée. L'entrepôt est équipé d'un éclairage fluorescent et d'interrupteurs activés par le mouvement dans la zone de l'entrepôt afin d'économiser l'énergie et de réduire les coûts d'exploitation. La zone de bureaux comprend cinq bureaux bien équipés, une zone de réception accueillante, un bureau de magasin supplémentaire au sein de l'entrepôt et une grande salle de pause. Plusieurs salles de bains sont stratégiquement placées dans l'entrepôt et les bureaux, améliorant ainsi la commodité et l'accessibilité. L'unité CVC principale a été récemment remplacée en 2024, garantissant un environnement de travail confortable dans les bureaux tout au long de l'année. Cette propriété convient parfaitement aux fabricants, aux distributeurs, aux entreprises de logistique ou à toute entreprise nécessitant un espace d'entrepôt important combiné à des bureaux efficaces. La configuration polyvalente et l'infrastructure robuste prennent en charge un large éventail d'activités commerciales et de demandes opérationnelles.
| Espace | Surface | Type de bien | État | Disponible |
| 1er étage | 4 211 m² | Industriel/Logistique | - | 30 jours |
1er étage
| Surface |
| 4 211 m² |
| Type de bien |
| Industriel/Logistique |
| État |
| - |
| Disponible |
| 30 jours |
TAXES FONCIÈRES
| Numéro de parcelle | 000107483000 | Évaluation totale | 987 392 € |
| Évaluation du terrain | 66 091 € | Impôts annuels | -4 211 € (-1,00 €/m²) |
| Évaluation des aménagements | 921 301 € | Année d’imposition | 2024 |



